自由能源問世-徹底研究 6th更新2016/0525

量子能源發電機QEG(Quantum Energy Generator)=共振電能接受器.
結論:
自由軟體:免費分享-UNIX/LINUX,突破微軟壟斷:作業系統與文書軟體常改版害人無法用,陷困境.
自由能源:免繳電費-QEG. 也還須大家努力改善/推廣,突破油氣煤電企業封殺!
緣起:
寶島反核電廠,但不節能減溫(溫室氣體),害氣候更異常比核彈還可怕,也很可笑!
(政客/團體很容易被油氣集團收買?)
日本廢核2年後,擁核政客再度贏得選票,因為火力發電增加已經飽和!
(全球石油氣企業財力不足,已無足夠金錢操弄日本政局?).
自由能源問世百年,仍不能量產,被石油煤氣企業成功封殺,原因何在?
1.油氣煤電企業太利害:
*.讓交流電力發明人與所有專利不被世人熟悉!
*.讓自由能源問世遙遙無期.
*.讓東南亞諸國膽敢與中國武力在南海較勁,爭奪海底原油.
2.人民被野心集團操縱:
要真心反核,應該吃純素,不使用任何電(除非是自由能源-QEG)
不給油氣煤電賺錢機會,才能夠成功廢核又不危害地球生態.
目前反核團體,也主張低電價+不吃素,
成功讓寶島人用電量世界一流,油氣煤企業將會賺很大!
討論:
不要核電,除了石油,煤,氣等傳統發電,還有其他綠色能源,
但其中最有希望的是自由能源-QEG,
自由能源能否逃出石油煤氣企業封印?靠全民自我覺醒!
反核人士:
透過 採用核電的交通工具去遊行,
在 使用核電的超商吹空調,吃冷飲熱食,買瓶裝冰水.
能有多少真心要廢止核電?
疑似油氣煤企業推手.
寶島用電量高居世界第一,卻靠貧苦納稅人補貼電費成本差額,
反核人士學印度甘地的靜坐抗議,卻未先吃純素半年,
無論真的靜心,找到最佳解決方案.
只會靜坐略久就走火入魔,不能解決問題.
真反核,就要吃純素,支持高電價與高油價,並提供窮人自由能源!
評論:
目前 自由能源:QEG問世進度很慘.
原因是有4大問題未克服:
A.不懂使用者需求.
B.不能夠簡單說明發電原理.
C.只作出手工樣品.
D.欠缺配套設備.
以下逐一詳細說明:
A.使用者真正需求:
a.耗電額度:
澳大利亞原型機20~24KW,寶島原型機10~15KW.
可能要10~100戶一般家庭才能夠連續用這麼多電,達到發電機最高效益.
倒是適合 電動汽機車停車場充電器, 24小時商店, 學校/企業 採用.
日本,美國,比利時,巴西,中國,摩洛哥(德國,荷蘭,英國,加拿大,斯洛維尼亞)
規格可能類似,
參與QEG,世界五強,只欠俄國,法國.
但是法國有MEG,俄國1990複製英國的西瑞尔效应Searl Effect,
等於世界五強都努力於自由能源開發,
可能用在戰車(永遠不必加油)等國防或其他不公開用途!
b.成本回收:
假設1度電3元,24小時不斷使用10~20KW,
1天電費750~1500元,1月2~5萬元,1年電費27~54萬元.
原型機材料費用US$5000-8000=15~25萬元.(成本有2種版本,量產後極有可能降低到一半)
假設是寶島的原型機10KW,材料成本25萬元:
如果用戶1個月電費只1000元,使用它21年只能回收本錢,浪費利息與人工維護花費
如果用戶1個月電費有2000元,使用它21年約可打平本錢,利息與人工維護花費.
如果用戶1個月電費有20000元,使用它1年約可打平本錢,2年回收利息與人工花費.
所以目前寶島低電價,許多用護安裝此機並不伐算!
-----
特斯拉的電動車缺QEG,如果QEG裝上,就不用再為廣設充電站傷腦筋
計程車,公車,捷運等全天走動半天以上的車輛,裝置QEG較為伐算
-----
c.安裝場所:
約佔用一坪大小,比一般 小型柴油發電機大
建議安裝屋頂,與水塔/基地台為鄰.
B.簡單發電原理:
量子能源發電機QEG(Quantum Energy Generator)應該改名叫:共振電能接受器.
我原本以為自由能源必須有人發射出無線電波能源~共振電能發射器.(類似手機的基地台)
然後在天線直線範圍內,所有安裝共振電能接受器的人(類似手機),都能夠使用它.
現在看到QEG原理, 才知道共振電能發射器 來源是宇宙能量,
所以免安裝發射電波能源,也無距離限制,
全球各地都可以安裝共振電能接受器,
只是不同地點必須重新調校.
QEG發電原理:
d.通電去啟動:市電帶動馬達運轉.
e.電動機轉動:馬達運轉,帶動電動機轉動.(電動機=高壓電容與變化電感的諧振電路,目前原型機設定諧振頻率400Hz)
f.電動機聯動:馬達脫離市電,改靠電動機轉動產生電力耗電.
電動機轉動產生多餘電力取出存放或使用.
g.激發來優化:激發線圈 讓電動機與當地電離層能源頻率同步,可產生最大電力(調整到最佳化).
C.只作出手工樣品:
自由能源是靠熱情工程師,先作出核心(電動機)~鋼片組,
再到各國找熱情工程師幫忙.
沒有優秀電力工程師幫助除錯,
所以原本大公司一個月以內就可完成量產的產品,
拖了10年還未量產.
急需大家贊助金錢與技術人員!
D.欠缺配套設備:
h.電力轉換器: 400Hz電力要轉換為一般50~60Hz交流電,或是直流電.
(估計頻率400Hz不轉換也可以,
但是電壓要調整好,約110/220V並不容易,
建議家庭內電器都採用直流24V,工廠採用直流48V,
可減少轉換交流再轉回直流的電力損失)
i.市電轉換器: 平時用自由能源,電不夠靠市電補充.必須在二者間加裝轉換器隔離,
j.跨戶分配器: 讓20~100戶家庭聯合使用.
罔頁齋藥:
*台灣實驗成功-量子能源發電機 - 控制即將過去, 我們在創造歷史!2014/04/08
平論:
據說調整遇到瓶頸,可能是澳大利亞工程師有完整上完昂貴課程,來寶島的人沒有上完昂貴課程.
*QEG(Quantum Energy Generator) 量子能源發電機問世
自由能源 永磁發電機開賣了 (澳大利亞) 2013/0827 24KW USD$5000
>不只澳大利亞,2010有大公司已採用此發電系統,那時是商業用發電機(超大台),現在是推家用版?
原型機約手掌般大小,
為這些造福世界人類的科學家們致-上-最高的敬意..
平論:
所以24KW或是更大台的已經在商轉,寶島10KW的QEG還沒有完成調校.
希望不是寶島氣候變遷惡化,電離層變動太大,無法完成調校!
*修復世界組織在
賓夕法尼亞州達成諧振發電 (波士頓-麻省理工學院?)
台灣團隊達成諧振發電
摩洛哥團隊達成諧振發電
德國團隊達成諧振發電
奧蘭多團隊達成諧振發電
*QEG团队台湾行2014/0610
李先生是台湾的QEG總工程師,好幾次都请我们到好的素食餐廳吃飯
来自中国的伙伴 承诺与5000名中国工程师分享QEG科技并且公开传授
一位学识渊博,来自政府高等研究单位的工程师。
这些工程师在各自的行业里都是专家,也都是善良又热心的好人。
我们迫不及待地想看他們改良QEG 了。
*13歲青少年上美國新聞
因為他發明了成本低於15美元的自由能源設備 2016/0524 Waking Times
KTVN Channel 2的電視專訪中,Max穿實驗衣,在雷諾太浩實驗室
(改裝自父母的鍋爐室)中,解釋了他製造的自由能源設備。
有一些操作原理也與特拉斯所描述的相同。
設備相當簡單,從大氣中擷取電磁能量,接著轉換成
可以用來供電給電子設備的直流電。
Max僅用低於15美元的成本就製造出這個自由能源設備。
一頓午餐的價格,似乎任何人都有機會獲得自由能源。
用一個咖啡桶、一些電線、兩個線圈以及一支湯匙做出一個電磁收割機。
使用這個設備產生的電流,點亮一串綁在他雙胞胎兄弟身上的LED燈
能源收割機將無線電波、熱能以及靜態能源轉換成電能。電線從空氣中擷取能源,
進入咖啡桶裡面,將交流電轉成直流電。
自由能源設備與技術受到能源產業以及政府所打壓已經是這個世界既定的事實。
資訊時代裡,用各種技術與計畫來打壓像是Max這種想法與發明的時代終於即將結束。
現在任何人都可以參與能源革命。
Max Loughan:我真正的目標是要幫助這個世界。創造出一個可以讓
人類平安無事又快樂的未來。
點這裡觀看KTVN訪問Max的影片,請多多分享這則振奮人心的故事,
讓人們知道乾淨免費能源的可能性
*磁浮發電機 40瓦生電1800瓦 2014/0719
*磁浮發電 年省6萬電費 2014/0719
台灣愛迪生-發明家鄧鴻吉,公開團隊花3年研發「磁浮發電機」,
利用磁鐵的正正、負負相斥原理製作而成,
只需要花費40瓦電力啟動馬達,每小時就可製1800瓦電力,1天43.2度電,
遠超出一般家庭每日所需的10至15度電力。
不必再使用到台電的電力,每月只要繳交基本電費,1年可省6萬元電費,
目前整組設備已進入最後外觀設計階段,預計1年內將量產上市。
台灣愛迪生創意科技公司花3年投資7000萬,今天發表磁浮發電機
評論:
看數據明明就是自由能源-QEG諧振機.
一般人1個月用不到1千元電費,也就是說說1年不足萬元!
1年可省6萬元電費,那是住毫宅!
*自由能源能-QEG諧振機並不違反熱力學定律:
熱力學第1定律-能量守恒定律:自由能源能量來自大氣層電磁圈-源自太陽與宇宙能源
熱力學第2定律-能量流向低溫:高溫流向低溫是指能量未被應用而自然流失,
如果進入生物等系統就能維持穩定狀態-自由能源也是保持能量穩定系統
*QEG自由能源發電機:原理介紹
http://non-mainstream-research.blogspot.tw/2014/04/qeg.html
http://bonamylee.blogspot.tw/2014/04/qeg.html
我跟QEG發明人詹姆士James對談後,憑記憶寫下的原理說明。
我沒有電機相關背景,不保證理解必然正確或完整。
James不是QEG真正發明者,
QEG的設計有一部分是跟WITTS組織學習而來。
該組織雖然擁有這套自由能源技術,卻吝嗇於分享。僅製造1發電機,就須付巨額捐款。
他們開設發電機教學課程,更故意隱瞞許多關鍵細節,讓學員必須不斷花錢繼續上課。
James上過他們的課程後,不願繼續花冤枉錢上課。決定靠自己研究被隱瞞關鍵部分。
經過一番自行的研究、學習,他人協助、靈感和27年的電子工程經驗,
終於明白如何打造並改良這台發電機。
James 對WITTS保持尊敬的態度,畢竟他們確實是他的老師,建議人們可以考慮捐款給WITTS。
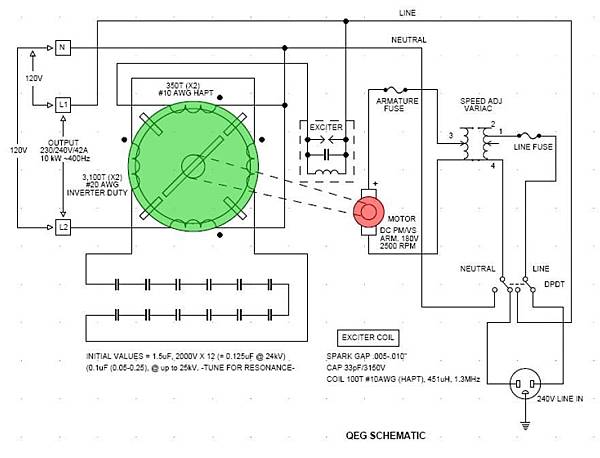
圖1.James在美國的QEG原型機
左側部分是發電機核心,右側是馬達。馬達透過一條皮帶來驅動核心的旋轉。
圖2.QEG電路圖:
綠色的部分就是發電機的核心,而紅色的部分就是馬達。
圖3.發電機核心
整個發電機最關鍵部分就是它的核心。核心外圍,是像變壓器的線圈,核心的「定子」部分,
核心的中央則有個可旋轉的金屬結構,是這個核心的「轉子」部分。
定子(線圈的鐵芯)和轉子不是鐵塊,由140片特定厚度(0.025英寸)與型號(M19)的矽鋼片疊起來並經過焊接固定而構成:
發電機要透過共振原理發電。只有特定厚度與材質(矽含量)的矽鋼片,才可以讓發電機產生特定頻率震動。
如果使用一整塊的鐵塊,或厚度、材質不對,發電機就無法順利達到所需要的共振頻率。
定子金黃色圈圈是粗線圈(副線圈 350圈),將電壓以90~240VAC輸出
定子 黃色圈圈是細線圈(主線圈3100圈),電感值達~40亨利

圖4.目前QEG團隊帶到台灣來的兩顆發電機核心:
一顆還沒繞線圈,另一顆已經繞好,還沒繞線的鐵芯33.3公斤,
繞好線並經過絕緣加工後的核心後53.45公斤(只有左邊有放轉子...)
圖5.馬達驅動電路
紅色線標示出來的電路,驅動馬達的旋轉:
這個電路與我們家中的市電(1)連接(右下角長得像插座的圖案),透過市電所供應交流電源來驅動馬達(5)。
電源(1)和馬達(5)之間,線路還經過了一些電子元件,例如開關(2),
當發電機開始產生電力之後,我們就會透過開關(2),來把馬達的電力來源,
從市電(1)切換為發電機自己產生的電力,達成電力自我供應循環。
轉速控制器(3)用來調整電流以便控制馬達轉速。而保險絲(4)則用來是預防電力超載和走火。
當馬達(5)被驅動之後,就會透過皮帶(綠線)帶動發電機核心的轉軸(6),讓轉子開始轉動。
QEG的運作方式與傳統的發電機(馬達)有三個相當顯著不同:
1.QEG的構造裡面沒有用到任何的永久磁鐵。
2.QEG的旋轉部件(轉子)上面沒有繞任何的線圈。
3.沒有電刷(和整流子)的構造。
QEG靠共振原理來發電。
圖6.諧振電路
紅色線標示的電路,是諧振電路Tank Circuit,對這個電路供應電力後,電路當中的的電流會在電路中來回震盪。
電路裡| |符號,代表電容器。電路中電容器的數量,會影響電流震盪的頻率。
讓這個電路保持震盪是我們的目標,因為達到特定頻率的諧振,正是QEG之所以能夠發電的關鍵。
諧振電路與發電機核心當中的一對線圈相連接,這對線圈就是「主線圈」,是讓諧振電路開始並保持震盪的關鍵。
圖7.核心-主線圈
發電機核心,包含兩對線圈,一對是主線圈,另一對是副線圈。
主線圈是由較細的漆包線所繞成(各3100圈)。
副線圈則是由較粗的漆包線所繞成(各350圈)。
用漆包線纏繞一根鐵棒製成一個線圈,並將漆包線通電,就會讓鐵芯變得有磁性。
這時鐵芯的一端會變成N極,另一端則會變成S極。
漆包線纏繞鐵芯時的順、逆時針方向,會決定鐵芯哪一頭變成N極和S極。
我們的鐵芯比較特別,它是環狀的。
QEG核心的主線圈,並不是一個變壓器!這樣的磁極設定並不符合QEG運作的原理。
圖8-10.
如果我們改變繞線的方向,將線圈的磁極重新設計成這樣:
S極和N極無法再循著原本的路線找到對方,因為若循著原本個路線,只會遇到跟自己相同的磁極。
此時N極和S極必須要尋找新的路線,讓磁力線能夠與對方連接。
這個時候,轉子就開始發揮它的功用。
當轉子轉到了下圖的位置時,就成為了N和S極之間磁力連接的橋樑:
當轉子繼續旋轉,橋梁就會暫時消失。這會使得N和S極之間的磁力連接變得微弱:
當轉子又繼續旋轉,橋梁會於另一側再度建立:
接著,橋梁就再度消失。N和S極之間的磁力連接又變得微弱:
這樣的設計,讓核心得以透過轉子的旋轉,來不斷改變兩個主線圈的電感值(inductance)。
當磁力線可以經由轉子傳導的時候,電感值就會變大;當磁力線無法經由轉子傳導的時候,電感值就會變小。
James:這兩個線圈是以串聯連接,它們的電感值相當大,可達40亨利。
當轉子旋轉的時候,就會讓電感值在大約30~40亨利的範圍之間震盪、變化。
這個電感值的震盪變化,會在兩個主線圈當中產生小伏特的電壓。
James:透過電感的震盪變化可產生電壓的這種效應很少人知道,這也是QEG獨特原理之一。
這現象類似冷次定律,只不過產生感應電流的方式,是透過電感值變化而非磁通量的變化。
圖11.共振
那麼這個小伏特的電壓有什麼用途呢?
諧振電路需要電能的供應才能夠運作、保持震盪。
這時,主線圈所產生的小伏特電壓,正好就提供諧振電路保持震盪所需的電能。
於是諧振電路就開始進入了震盪的狀態。
接著,諧振電路的電能震盪,使得核心也開始發生物理震盪。
核心的矽鋼片也開始跟著震盪。
為了確保電路中的電能震盪和矽鋼片的物理震盪能夠保持在相同的頻率並達成共振,
一開始設計QEG核心和電路的時候,就必須考慮到矽鋼片的厚度、材質,
及諧振電路當中的電容器數量和規格。因為唯有兩者達到相同頻率的共振,
QEG才能正常的運作、發電。
(目前QEG原型機的振動頻率設計為 400Hz)。
傳統的馬達或發電機不但沒有利用共振,更把電能震盪造成的物理共振,
看成是一個必須解決的問題和缺陷。
物理共振如何幫助QEG發電?
壓電效應
當發電機核心達到物理共振時,一種類似壓電效應(Piezoelectricity)的現象就發生了。
壓電效應是一種機械能與電能互換的現象。
這時候發電機核心的物理震動(機械能)開始被轉換成電能。
隨著震幅越來越大,線圈和諧振電路中,也開始出現越來越高壓的電流震盪,最終達到一萬兩千伏特。
這也是為什麼線圈和發電機核心必須要有非常好的絕緣處理,
且必須在諧振電路中使用高壓電容器的原因。
James:很少人想過利用壓電效應,透過諧振的機械能來發電。
透過諧振來產生電力的原理,就是QEG可以產生高壓電並達到超輸出的原因。
轉速的鎖定現象
James:雖然整個核心的震盪,一開始是由馬達帶動轉子的旋轉而驅動,
一旦核心的振動頻率達到400Hz之後,嘗試加快馬達的轉速,並不會讓轉子轉得更快,
也不會使核心的震盪頻率變高,而只會使核心的震動幅度加大,進而產生更大的電壓。
轉子的轉速會在核心的振動頻率達到400Hz之後被鎖定!
已經在主線圈及諧振電路當中創造高電壓的電流震盪,
這些電力目前還被關在這個諧振電路當中,要如何把這些電力給輸出,讓QEG把電發出來呢?
這個關鍵就在核心的另一組線圈-「副線圈」的身上。
核心-副線圈
接下來核心工作方式,像變壓器。
透過諧振電路與主線圈當中電流震盪,在鐵芯當中產生震盪磁場。
由於電磁感應原理,這個震盪的磁場在經過副線圈的時候,將促使副線圈產生震盪的感應電流。
主線圈當中高電壓的低電流,就被轉換成了副線圈當中的低電壓高電流。
這個電流產生後,就會透過與副線圈相連的電路傳導出去,成為發電機所輸出的電力。
L1、L2和N就是發電機的電力出口,
把負載(例如燈泡)與其連接時,就可以得到電力供應。
就會得到120V的電壓輸出。讓電路只經過其中一個副線圈1或2,
如果用L1和L2與負載連接,得到2倍電壓輸出,即240伏特。
由於發電機核心的震盪頻率為400Hz,因此輸出的電力也是400Hz的交流電。
一般家用交流電頻率60Hz,QEG所發出來的電力,須經整流器轉換成直流,
再透過逆變器轉為頻率60Hz的交流電,才可以供應家庭用電。
是不是可以提高它的振動頻率,讓發電機更小呢?
發電機的零件必須變得更精密,核心的矽鋼片也必須變得更薄。
當零件越精密、越小、越薄,也就越不容易生產,這時價格也會跟著變高。
須考量到這些部分,在價格和體積之間取得適當的平衡。
須確保QEG輸出的電力大於輸入的電力,也就是超輸出,QEG才能真的稱得上是發電機。
目前James的QEG原型機,電力輸出10KW,僅需1KW電力輸入,已達10倍的超輸出。
既然QEG已經有能力在達到諧振之後,產生超輸出的電力,
那麼最後步驟,把一開始供應QEG馬達的市電電源切斷,轉用QEG自己發電來供應自己的馬達。
平均一個現代家庭所需的用電量約為5~10KW
激發線圈
James:激發線圈並不是必要裝置,但能幫助QEG發電機達到更高的發電效率。
整個QEG設計裡面,唯一跟「量子」有關係的,只有這個激發線圈。
在QEG團隊發佈的開源文件當中提到:
激發線圈:提供發電機核心與量子場/零點能量場(quantum field/zero point)的連結傳導路徑。
這種效應會將核心極化,
而使得發電效率隨著時間提升。等到優化的調校完成後,就無需再使用這個激發線圈。
這個激發線圈的原理,其實是另一個諧振電路。
這個諧振電路,靠與發電機的輸出電力串聯來維持諧振。然而特別的是,
它的振動頻率是與地球的某個自然頻率達到共振。
舒曼共振頻率(7.83 Hz)也是一個地球的自然共振頻率,
但激發線圈所使用的是比舒曼共振更高的另一個自然共振頻率。
在激發線圈的結構中,包含一個火花間隙元件,會隨著諧振電路的震盪,產生高壓火花。
James:這火花須在QEG核心的磁場範圍內,當火花產生時,就會導致磁場發生崩解,
進而在核心中產生額外的電流脈衝。
需要在發電機運轉當中時,讓激發線圈產生火花持續2~3秒,並重複這樣的步驟4~5次。
在頭幾週內,每次啟動發電機的時候都需要進行這樣的程序
(James說就他的了解是,若我們將發電機移動到別處,就需要重新進行此調校的程序)。
這會對核心造成什麼樣的影響,又是透過什麼原理來幫助提高發電效率,目前還不是很清楚。
QEG發電機的構造並非 James原創,而是參考自WITTS的設計。
當時 James在完成原型機的建造並達成超輸出後,就決定要盡快把他的研究成果公開,
而沒有時間仔細研究激發線圈的原理,或幫發電機進行任何的優化和改良。
後續的優化、改良和研究工作,會被全世界許多更厲害的工程師們完成,
這會比他一個人研究有效率得多。而他越早把技術公開,全世界的人們也就越早受益。
如果有發現任何的錯誤,也歡迎指正討論。
欲了解更多QEG和《修復世界組織》的相關訊息,
請參閱〈修復世界組織公開聲明〉或造訪《修復世界組織》
(Fix The World)官方網站。如果想進一步了解QEG和自由能源的歷史背景,
以及修復世界組織未來推展QEG及幫助世界的計畫,請參閱〈QEG自由能源寶典〉。
若想聽 James親自說明QEG的錄音,請參考訪談影片:
〈QEG -Fix the World Organization Interview by PESN; April 3, 2014〉
※特別聲明:本人還沒有看過實機運轉。
台灣進行QEG原型機複製建造的團隊,目前也還沒完成該機器,也尚未達成超輸出。
※本文由 克里斯(Chris Yang)撰寫,歡迎複製、轉載,但請註明作者與文章來源。
*CCTV《新科技革命》央視首次播出凱史自由能源科技2014/0410
中國的央視已經承認了keshe基金會的技術了喔...
世界修復組織繼台灣的試驗成功後也開始試著把QEG自由能源發電機 投入到日本量產的階段
*摩洛哥QEG達成超輸出!2014/0519
感謝來自德國和其它會用德語的國家的夥伴:荷蘭、英國、加拿大和斯洛維尼亞。
*自由能源:4国同时释放4种超输出发电机原型2014-0331
美国QEG量子能量发电机、比利时Keshe等离子反应器、巴西 EECG地球电子捕获发电机、
中国空气动力发电机,超能输出30倍
*修復世界團隊已生產“量子能量發生器QEG ”的工作機組設備。
工作原理: hopegirl2012.wordpress.com/2014/03/25/qeg-open-sourced/
下載如何建立運作中的 QEG 機組詳細的計劃:
hopegirl2012.files.wordpress.com/2014/03/qeg-user-manual-3-25-14.pdf
QEG開放源代碼手冊,並盡可能多的QEG機組能盡快獨立建造。
如果你想要有一個自由能源設備,不要等待大量生產,現在開始構建你的機組吧:
fixtheworldproject.net/start-your-own-qeg-production-unit.html
修復世界團隊正在尋找有能力的人/團體,能把QEG機組帶給世界上的人們,從小型機械工作坊到大型生產設施。
有這能力的人可以點擊下方連結聯繫修復世界團隊:
fixtheworldproject.net/contact.html
如果你有大規模的生產或分銷能力,聯絡 cobraresistance@gmail.com,可能會把你包含在我們的項目之一。
*地球盟友-科博拉Cobra訊息【日本與台灣會議報告】
兩個會議都是一次巨大的成功。
門司港會議幾天前在那地區發生4級地震,淨化成功清理廣島和長崎地區大部分乙太輻射,
星期日為福島重複相同的清理過程。
大部分困在那些地區的靈魂在這個過程進行期間已經被解放並引導到光裏。
台灣有一批强大並願意奉獻的人們,進行台北漩渦啟動的時候,突然傾盆大雨淨化這城市。
會議後我們拜訪了QEG在台灣的生產設施,在那裏團隊正開始裝配QEG核心:
幾天之後,他們已經從同樣的核心裏獲得原始動力:
//v.pps.tv/play_3E4PRC.html
*無轉動電磁發電機MEG。Jean-Louis Naudin在法國複製出。
這類型設備原理1978Frank Richardson (USA)第一次透漏出來。
*台灣QEG發電機實驗成功!
象徵:豐盛、源頭神聖能量及更高的意識轉變即將降臨這個星球,許多的苦難及控制即將過去!
QEG(Quantum Energy Generator) 量子能源發電機團隊即將完成原型機的製作,
未來親自到台灣教我們組裝這台電功率達10~15千瓦,
並且可每天24小時持續運轉23~25年的發電機!
不用申請專利、不用仰賴財團,不用修改法律,當覺醒的人們團結在一起,各出己力,
我們就是在創造歷史,讓我們迅速而順利的完成這場能源與靈性的大革命,興盛屬於我們!
QEG原理:由特斯拉專利改良而成,先透過一組外部線圈接收外部的電源,
5~10秒後,當內部線圈達到共振點需要的特定轉速,
內部線圈開始自主共振 後即可從零點能源場源源不竭的獲取能源,
就能自主產生電力,也就是說只要機器自己發電後就可以關掉啟動機器的家用電源(或電池),
發電機的外層線圈會激發 主線圈的振盪,算是一種動態馬達發電機。
QEG常見問題與答覆:
Q1:有無使用燃料或排放任何污染物、吵雜噪音?
A1:不使用任何燃料、零污染、噪音不大,並可以輕易的在設計和包裝中減低噪音。
Q2:輸出電壓、重量和大小?
A2:90~240伏特,50~60公斤,跟柴油機差不多大。
Q3:生產QEG的技術門檻是高、中或是低?我們需要非常專業的知識背景才能製造QEG嗎?
A3:QEG是旋轉馬達的發電機,有機械也有電子零件。技術最困難的地方在電學(如:電壓調控),
到時有團隊到當地夥同在地電機廠商修改QEG輸出線圈設計,讓輸出電壓頻率符合使用國規章。
Q4:會不會產生很大的熱能?需不需要冷卻?
A4:QEG有限定功率設定,不會過熱。
機器從外殼、線圈到核心都有防過熱處理,發出1萬瓦電功率,但最多只60~70度C。
Q5:機器有沒有可能故障傷到使用者?
A5:機器肯定是安全無虞的,我有足夠和美國標準檢驗單位往來的經驗,大家可以放心。
Q6:是否有任何方式能預防QEG被壞人當作武器?
A6:QEG是一般家庭用的發電機,功率10~15千瓦,還不足以用來製造武器,製作武器的尺寸會大很多。
Q7:QEG製造是否需要特殊設備或環境(如真空抽取機等等)
A7:它需要的廠房跟製造傳統的大型發電機的工廠差不多。所需環境設備跟做1台5馬力馬達相差不遠。
Q8:目前的價格?是否可能調降?
A8:一台5000美元。是各部零件的成本,找到確定的製造商,進入量產後,價格會自然下降。
Q9:何時開放訂購?
A9:尚不清楚,機器運轉之後還要調整作優化處理,一切就緒後就會開放。
Q10: QEG公益計畫?
A10:每以全價售出十台機器,就免費送出兩台到落後國家。
*自由能源QEG事業營銷與配送企劃書
序
修復世界組織是致力於人道慈善計畫的服務業組織。推廣 QEG 量子能源發電機
我們會提供創業培訓課程、募款集資課程和諮詢服務給我們未來的創業夥伴。
修復世界組織不會是唯一的 QEG 供應商,因為我們的首要目標是讓它普及到家家戶戶的大門,
並且教大家自行建造 QEG 。
QEG 量子能源發電機簡介
量子能源發電系統 (QEG) 改良自尼古拉‧特斯拉的專利發明,
包括發電機和動電能轉換裝置。
其中最重要的是專利號390414的『動電能轉換機』,專利生效日期1888年10月2日。
QEG 第一代的原型機可以持續產出 10-15 千瓦的電力。
它的輸出形式可以設定成 120V 或 230-240V 的單相電。
我們也計畫在未來推出工業用的三相電型號。
發電機的使用年限僅受限於幾項需要更換的消耗品。
如 : 軸承、 V 型皮帶和電容。
只要適當保養的話,操作起來應該是毫無問題。
機器裡面的運動零件都相當耐用,機器保固期限內不用更換。
QEG並不是特別複雜的發電設備。它的原理是按照特斯拉的設計概念,利用自然法則和諧運作。
它不像現在市面上主流的對稱系統馬達和發電機,有浪費能量的缺點。
QEG是一台高動力、自主諧振的振盪器(復振器)。
它可以將高壓脈衝 (15-25千瓦)轉換成各種伏特的交流電輸出,最大電流可達120安培。
依照今日的替代能源科技術語定義的話,它就是一台諧振機器。
這台高功率發電機的電路採用了已經問世,不過尚乏人問津的微機電振盪電路。
設計中的『量子』部分才是驅動發電機的關鍵。
傳統的交流發電機通常有內建激發線圈。激發線圈可以提供整流過的交流電帶動發電機的磁場線圈。
QEG 沒有常見的內建式激發線圈。它的電路圖並沒有明顯畫出機器從哪邊輸入激發諧振的電源。
這就是它的原理關鍵所在 :QEG 採用外掛式激發線圈;
發電核心收到從量子場 ( 零點 ) 發出的激發訊號之後,便開始振盪發電。
只要機器達到諧振頻率,就可以自行供電運轉。
美國專利權的期限為14年。效期是從申請日開始生效。
專利過期之後,相關知識會進入公共領域;所有人皆可取得和使用。
只要有人提出檔案調閱申請,政府就會公開專利內容的相關描述。
發明人不再享有該知識或發明的獨家權力,而且任何人都可以從專利局取得文件紀錄、重制發明。
特斯拉的專利內容和保護效力早在 19 世紀末就已經紀錄在案,因此所有相關專利權或任何延伸的改良方案都屬於公共領域財。
QEG 所有完整的設計藍圖和使用手冊同樣也是既有專利發明的改良版本。所有人都可以免費且無差別地取閱,拷貝和發行。
*被掩蓋的真相>全球免費的自由能源2015/0505
1980年代末,電子科學的商業期刊預言:將要出現“自由電源”。
電學自然難以置信的發現將進入普通人家。
20年內,將有汽車、飛機、電影、錄音音樂、電話、收音機和實用的相機。
維多利亞時代給出這些是相當新鮮。
百姓被鼓勵去想像烏托邦式utopian的未來,
有充足的現代化交通運輸和通信,為每一個人提供工作、住房和食物。
疾病被征服,沒有貧窮。生活將越來越好,每人都能獲得“一片餡餅”。
這次科技爆炸中能源技術有突破嗎?
所有激動人心的“自由電源”-“真正的科學”終於被證明?
當前科技真相:所有的問題都沒解決。
那時用最小的投入產出巨大能源的方法已開發出來,但都沒開放給消費市場。
自由能源-總整理,這表是我最近才明白的,能合理解釋上述的疑點。
這些發明的共同點:
用少量一種能源就能控制和釋放巨大的不同種類的能源。
多數通過一些方法抓住以太場,一種便利的,被“現代”科學忽略能源形式。
1)輻射能源
Nikola Tesla的放大變送器,
T. Henry Moray的輻射能量設備,
Edwin Gray 的EMA馬達,
和Paul Baumann 的“ Testatika”機器
以上4者全部由輻射能驅動。
這種自然能量直接從環境中收集(被錯誤地叫"靜電"),也可用"分餾"法從普通電路中萃取。
輻射能可提供同普通電能一樣功能,但只有其1%的成本。表現不完全像電能,使科學對它誤解。
瑞士Methernitha研究室現在有5或6個無須汽油,能自動運行的工作模型就是採用這種能。
2) 永磁能(靜態磁能)
Dr. Robert Adams-NZ設計開發用永磁能的電動機,發電機和加熱器:
每個設備用100W驅動,產生100W回饋能源,2分鐘內製造超過140BTU的熱。
Dr. Tom Bearden-USA 開發2個用永磁能驅動的電力變壓器模型。
用6W電源控制永磁能的輸出磁場的通路。
通過引導磁場,先去輸出線圈,再去另外一個輸出線圈,
反复快速-Ping-Pong方式,在沒有移動單元的前提下可產生96W的電力輸出。
Bearden 稱他的設備為無轉動電磁發電機,或MEG 。
Jean-Louis Naudin 在法國複製出Bearden 的設備。
這種類型設備的原理在1978由Frank Richardson-USA 第一次透露出來。
Troy Reed-(USA) 有一個特殊的磁能風扇可以用它加熱堅硬纖維。
它準確地產生相同數量的能量以旋轉風扇不論產生熱能與否。
同這4種發明一樣,其他眾多的發明者也獨自開發出從永磁能產生馬達轉距的工作機械裝置。
3) 機械加熱器
有兩種類型的機器可以將小能量的機械能轉化成大能量的熱能:
它們中最好的純機械設計是由Frenette-USA 和Perkins-USA 設計的旋轉柱面系統。
這些機器中,一個柱面在另一個柱面中旋轉,他們之間的距離有1.8 英寸。
柱面之間灌滿了像水或油的液體,就是這種“工作流體”加熱內部柱面中的尖硬纖維。
另一種方式用安裝在一個轉軸上的磁鐵在一疊鋁碟之間產生巨大的渦旋電流,
導致鋁被快速加熱。
這些磁能加熱器已經由Muller (Canada) 、 Adams (NZ) 和Reed (USA) 驗證。
所有這些系統都可以在相同能量輸入下產生比標準方法多十倍的熱量。
4) 超級效率電解
水用標準方法可以電解為氫氣和氧氣。
化學課本:電解水所需能量要比氫氧生成水發出的能量更大。最糟糕的方法中才正確。
當水被激盪在其固有的分子共振頻率時,
用由Stan Meyers (USA) 和最近由Xogen Power Inc 開發的系統,
水被分裂成氫氣和氧氣只需要一點電能。
同樣用不同的電解液(附加條件是使水導電更好)可以顯著改變加工的效率。
同樣也知道一些幾何結構和表面材料比其他的加工效果更好。
這暗示著可以用廉價的水製造無限的氫氣去驅動引擎(像你的汽車)。
1957由Freedman (USA) 申請的一種特殊合金專利,
它可以自動將水分解為氫氣和氧氣而不用任何輸入電能,
並且在分解過程中合金的化學成分沒有任何改變。
這說明這種特殊的合金可以在任何時候自由地從水中分解出氫氣。
5) 爆聚/ 旋渦
所有主要工廠的引擎利用熱能產生的膨脹和壓縮來工作,如:你的汽車引擎。
自然採用相反的冷處理導致的負壓和真空來工作,例如龍捲風。
Viktor Schauberger (Austria) 是第一個在20世紀30和40年代開發爆聚引擎工作模型的人。
Callum Coats 在他名為《活能量》(Living Energies )的這本書中
廣泛地介紹了Schauberger 的工作,隨後一些研究者就開發出了爆聚旋渦引擎的工作模型。
這些是不用汽油的引擎,它從真空中獲取能量進行機械操作。
這也是極其簡單的設計,用爆聚運動來將引力和離心力結合以在流體中製造出連續的運動。
6) 冷態(常溫)融合
1989年三月,美國尤他州Utah-Brigham Young大學2化學家:
已在座面大小設備中實現原則融合反應。
這個聲稱在6個月後被“揭穿”,大眾也失去了興趣。但是常溫融合確實存在。
除了有證明文件說重複發現超額的熱量產生,
還有低能量原子元素變化等被發現,成打的不同反應。
這項技術明確可以產生低成本能量並將成為一種重要的工業加工的能源。
7) 太陽能輔助熱泵
你廚房中的冰箱是你當前唯一有的“自由能量機器”。它是一種電致熱泵。
它用1份數量的能量-電能-產生3份能量-熱。能效比COP為3。
冰箱用1份電能從內向外泵出3份的熱能。這是一種典型應用,用這種技術的最糟糕的做法。
原因。熱泵由熱源中接收和吸引熱量用以製熱。
熱源明顯必須是熱的,吸收側明顯必須是冷的這樣工作才能最好。
冰箱所用方法正好相反。
為了製冷,熱源在盒內,吸收側則是你廚房空氣的溫度,要比熱源更高。
這就是冰箱COP 為何底的主要原因。但對於所有熱泵卻不正確。
COP 在使用太陽能輔助熱泵時可以很容易達到8 到10 。
這樣一個設備,熱泵從太陽能收集器中吸熱並將熱傳導到地下一個巨大的吸收器,
保持在55°F ,然後在變換器中轉換為機械能。
這個過程相當於一個在鍋爐和冷凝器中吸取機械能的蒸汽引擎,
除了使用比水溫度更低的“沸騰”流體。
這樣系統在1970年代測試,用功率計測量產生350匹馬力,擁有100平方英尺太陽能收集器
的一個特殊設計引擎(這不是Dennis Lee 推崇的系統)。
此系統的壓縮機不超過20 匹馬力,所以此系統產生了保持其本身運行能量的17 倍能。
用它可從屋頂的熱罐給一個小家庭供能,用同樣的技術可以將廚房中食物冷凍。
這樣一個工業級熱泵系統建立在Hawaii 的Kona 北面,它利用海水的溫差來發電。
----------
還有好多其他我沒有提及的系統,它們和我已陳述過的那個一樣可行並且測試表現良好。
但是這個 總整理-短表 已足夠證明我的觀點:自由能源就在這裡。
它提供給世界上每個地方每個人無污染充足的能源。
可以停止生產“溫室氣體”,可以關閉所有的原子能發電站。
我們現在可以用低廉的價格從無限的海水中淨化淡水,並把它送到哪怕是最遠的居住地。
同交通和產品成本相關的任何產品將有戲劇性的下降。
食物在任何地方的冬天都可以在溫室中成長。
所有這些可以使這顆星球的生命生活更好、更容易的奇妙好處被延期了幾十年。
為什麼?
哪些邪惡用心使這些被延期?
看不見的敵人-為什麼免費的資源遭到鎮壓?
4種巨大的阻擋力量一起導致這局面。
有一種陰謀在鎮壓這種科技,並引導對世界進行膚淺認識,譴責我們膚淺認識之外的一切。
面對無知和不採取行動的局面,我們的自發活動經常被兩種阻力解釋為
“蓄意贊成”,所以除“不過分苛求公眾”外,
其它三種阻力如何阻止自由能源科技的實用呢?
標準的經濟學理論中,有三種類型的工業。它們是資本、商業和服務業。
第一種類型,資本又分為3個子類型。它們是:
1)自然資本:它關係到未加工處理過的材料(例如金礦)和能源(例如水電站和油井)。
2)貨幣 :這關係到紙幣和硬幣,這通常是go-vern-ment 的職能。
3)銀行存貸:它關係到貸出的錢和通過借貸產生的經濟價值。
能源在經濟中的作用和黃金、go-vern-ment 印鈔票、銀行存貸如出一轍。
在美國,和世界上大多數的國家,都是“金錢壟斷”。
我可以如我所願賺的大筆的錢,但我只能接收聯邦儲備貨幣。
我不能以黃金結算,或用其它一些形式的“錢”。
這些錢由少數私人股份銀行掌握,並且這些銀行被世界上的最富有的家族擁有。
他們的計劃是最後100% 控制世界的貨幣來源,
因此他們通過有效的(或無效的)手段掌握所有的商業和服務以控制每個人的生活,
不受約束的財富來源(例如自由能量設備)掌握在世界上每個人手中,
將永久破壞他們統治世界的計劃。
為何這是顯而易見的事實?
當前,一個國家的經濟可以通過提高或降低利息率來降低或提高發展速度,
但是一旦不受約束的財富來源(能源)出現在經濟中,
任何商業或個人可以不用向銀行借貸就能獲得更多財富,
這種利息率的集中扼殺作用就不會同以前有相同的作用。
自由能源科技改變了錢的價值。
最富有的家族和貸款發行人不希望任何競爭,就是這麼簡單,
他們想繼續保持當前對錢供應的壟斷控制。
從他們的角度,自由能源科技不僅僅要遏制,最好是永久禁止。
最富有的家族和他們的中心銀行協會成為第一種阻力,
去延期自由能源科技實用地服務大眾。
他們的動機被描繪為“神的律條”,他們貪得無厭地要控制
除了他們自己以外任何事物。
他們用於延緩的武器有:脅迫、“反偽專家”、購買和擱置技術
、謀殺和企圖謀殺發明者、暗殺、縱火和多種多樣的金融動作
以妨礙有可能的支持者操作,
他們還提升物理學普通理論,然後聲明自由能源不可能(熱力學定律)。
----------
第2個延期將自由能源技術實用操作的阻力是國家。
這同印鈔競爭沒有多大關係,但同國家安全密切相關。
世界國家成立,人們被形容的特別殘忍、虛偽和卑鄙,
這時國家有責任“提供平民保護”,
為此,go-vern-ment 委派其執行分支-police去強制“保護法律”。
我們中的大多數贊同法律,因為我們相信這是為了我們自己利益的正確事情。
經常有一小部分人,他們相信對自己利益最好的方法是行動,
而不願意服從被普遍認可的社會秩序。他們選擇在法律以外行動,
這包括了歹徒、罪犯、危險分子、叛國者、革命者和KB 分子。
這對你和我意味著什麼,go-vern-ment 之間為每個可談判事件進行談判。
在國際事物中,持續“使用手段”獲取形勢和影響,只有最強者勝。
經濟上,是金錢定律,就是:有錢的定規矩,連帶政治也是如此,
它遵循達爾文式的進化,就是簡單的“適者生存”。
他們使用各種方法獲取超過對手的有利條件,每個人都將成為對手,
不管他們聲稱是朋友還是反對者。這包括無恥的心理、說謊、欺騙、
諜報、偷竊、暗殺世界領袖、代理戰爭、聯盟和解散聯盟、談判、
對外援助、和展示軍力等一切可用手段。
這就是實際競技中國家go-vern-ment 所操作的,
沒有任何一個國家go-vern-ment 會給對手哪怕一點的自由優勢。
沒有!不然就是國家在自毀。任何國家外部和內部的個別的活動,
都會讓對手抓住利益或優勢,沒辦法,只能相信恐嚇人的“國家安全”。
經常這樣!自由能源技術是國家go-vern-ment 最糟糕的夢魘。
開放的知識,自由能源技術激起無限制的軍備競賽,所有go-vern-ment
試圖最終獲取絕對的利益和控制。
你能想像一旦中國獲取自由能源日本不會感到威脅嗎?
以色列能坐等伊拉克擁有自由能源嗎?印度能允許巴基斯坦開發自由能源嗎?
在這顆星球上當前的事態會由於無限能源出現而導致“能量平衡”
不可避免的改組,這可能導致全面的戰爭以阻止“其他國家”
獲得無限財富和能量的優勢。
每個人都想獲得它,同時,也想阻止其他人得到它,
所以,國家go-vern-ment 是第二種延遲自由能量技術實用的阻力。
動機是“自我保護”。自我保護有三種操作級別。
首先,不給外敵任何不適當的機會。
第二,在國家內防止個人行動的能力向pol.ice 系統提出挑戰(無go-vern-ment 狀態)。
第三,保持對現有正在使用能源收稅以作為財政來源。
他們的武器包括防止發表基於國家安全的專利,用各種合法和不合法的罪名
折磨發明者,稅收審計,恐嚇、電話竊聽、拘捕、縱火、運貨時偷竊所有物品、
脅迫主人使製造和市場化自由能源機器的商業努力成為不可能。
----------
第3個使自由能源技術使用延期的阻力是一群迷惑的發明者、直率的出牛人和反對者。
在這些建立真實的自由能源技術特別科學突破的外圍,依靠說不清楚的異常的人、
邊緣發明家和無恥的支持者編織了一個世界陰影。
前兩種阻力一直利用媒體支持這群人,轉移公眾注意力並且同他們聯合
使用明顯的欺騙手段使大家懷疑真實的科技突破。
過去一百年來,成打的故事發生在不平常的發明家身上。
這些觀念是如此迷惑公眾想像,以至於一直到今天還認為這些系統是神話。
像Keely, Hubbard, Coler, 和Henderschott 這些名字立即進入頭腦。
真實的科技可能就在這些名字後面,但不能簡單地憑藉足夠實用的科技數據
在公眾領域獲得認可,這些名字仍關係到自由能源神話,
並且總被當作騙人的例子來揭露。
但自由能量的概念深深紮根於人的潛意識中,用邊緣科技論證異常現象
的少數發明家被錯誤地誇大他們發明的重要性,
這些發明家也利用發明來錯誤地誇大自己的重要性。
一個“金錢狂熱”和/ 或“救世主聯合”的聯合出現,他們可以歪曲所有對未來的貢獻。
他們的研究思路一旦出現希望,他們就開始為事實進行狂熱的商業交易,
這種做法使科學工作的價值受到極大傷害。
這很強大,狡猾的誘惑可以歪曲人性,如果他們相信“擔當世界的未來”
或他們是世界的“救世主”。
奇怪的事情也經常出現在普通人身上,大多數的發明家的靈魂(信仰)
當他們相信他們會極其富有,在他們有一台自由能源機器後將變的不穩定。
正如科學質量惡化,一些發明家也淪為“迫害團體”使他們特別自衛和不可接近。
這種過程將他們永遠排除在自由能源機器的真正開發以外,然後給可怕的騙人神話提供支持。
然後騙子出現了。
在過去15 年,美國有一個人提供自由能量欺騙專職人員。他騙得超過$100,000,000 的錢,
在華盛頓州已被禁止從商,在California 被監禁,他還在那裡。
他經常說一種真實自由能源系統的大量變化版,賣給人們概念並告訴他們
很快就能獲得這些系統中的一種,但最終賣給他們的只是增進的信息,
並沒有給出關於能量系統自身的任何實際數據,
他殘忍地掠奪美國的基督教團體和愛國者團體,然後開始壯大,
他當前的詭計包括向成千上萬的人指出他將安裝自由能源機器的地點並同他交易,
在他們的家庭中出租自由能源機器,他們將終生獲得自由電力,
並且他的公司將過剩的能源賣給當地的要用電的公司,並將他們的朋友也拉入騙局之中。
一旦你懂得我描述的前兩種阻力的力量和動機,很明顯此人當前的商業計劃不可能實現。
這個傢伙對美國的自由能源發展的損害程度可能比任何一種阻力都要大,
他破壞了人們對於這項技術的信任。
所以第三種使自由能源技術實用化延遲的阻力是它自身發展中的錯覺和欺騙。
這種動機是盲目自大,貪婪,想控制其他人和自身重大的錯誤感覺。
武器經常有:撒謊、欺騙、“誘餌和轉變”騙術、同劣等的科學合作的自我錯覺和自大。
----------
第4個延遲自由能源科技實用推廣的阻力就是我們的靜止(擱置)。
其他幾種阻力的動機很容易看出是多麼的狹隘和卑劣,
但實際上,這些動機在我們每個人也相當普遍。
象最富有家庭一樣,我們沒有虛偽高傲的個人思想?並想控制他人為我們服務?
還有如果錢足夠多,比如今天有一百萬美圓現金,你不會去做買賣?
或像go-vern-ment 一樣,我們不是也想確保我們自己的生存嗎?
如果你在一個坐滿人、燃燒的劇院的中間,你不會驚慌並像瘋子一樣推開虛弱的人們,
奪路而逃嗎?
或者像迷惑的發明家,在不滿意的事實面前立即交易一個滿意的幻想?
或者我們不是還害怕無知,甚至有一個巨大報酬的承諾?
所有四種阻力是作用相同而表現不同,在社會中不同的階層中運行。
實際上只有一種阻力在延遲自由能量技術的推廣,這就是人類作為動物的非精神動機行為。
在最後的分析中,自由能量技術外表顯示的超凡富足。它是文明社會經濟的引擎。
在這里社會的每個成員都能獲得他們需要的一切,而不用垂涎他們鄰居的所有。
在這裡戰爭和暴力侵犯將成為社會不可接受的舉止,並且不愉快的人類差異最後被容忍。
自由能源技術在公眾領域中的出現是真正文明時代的黎明。
它是人類歷史上的一個劃時代的事件。沒人可以藉貸它,沒人可以由它而獲得財富,
沒有人可以用它統治世界。它簡單,是神的禮物。
它使我們為我們自己的舉動負責任並且需要我們守紀律和自我克制。
現在的世界秩序,不可能有自由能源科技除非全體被某些事情轉變。
這次文明已經到達它發展的顛峰,因為它產生了自己轉變的種子。
無精神的人類動物不被自由能源信任。他們只會做他們經常做的,
用對別人殘忍的優勢,在行動中殺害其他或同夥。
如果你回頭讀Ayn Rand 的《阿特拉斯之肩或羅馬俱樂部報導》
Atlas Shrugged or the Club of Rome Report),就會明顯知道最富有家庭
在幾十年前就明白這個道理。
他們計劃生活在自由能源世界,但對我們永久凍結。
但這不是最新的。皇權經常讓普通百姓(我們)屈從他們的奴役。
新鮮的是,你和我可以用比以前都強的方式進行通信。
互聯網提供給我們,
第四種力量,去獲取戰勝其他阻力防止自由能源科技散播的聯合的努力的機會。
機會
這樣開始,發明者出版他們的工作,代替註冊專利或保密。
久而久之,人們就會從書上,視頻和網站上獲取這些信息。
雖然互聯網上還有一大堆關於自由能源的無用信息,有用的好信息會增長更快。
瀏覽本文最後的網址和其他資源,你就可以收集到所有真實自由能源系統的信息。
原因很簡單,頭兩種阻力不會允許發明者或公司製造和出售自由能量機器給你的,
你找到它的唯一途徑就是你或你的朋友自己製造。
這是正確的並已有數千的人開始做了。你可能覺得整個任務對你不合適,
但是請開始從現在起收集信息,你可能成為整個事件鏈條中一環並將造福他人。
注意你現在能做的,不要為多少錢而做。
小型私人的研究組織做出了你正在閱讀的這些工作,
許多人無私地將他們的結果公佈在互聯網上。
我們所有人組織起第四種力量。如果我們站起來拒絕仍然存在的無知和不行動,
我們就能改變歷史的過程。
我們聯合行動的集合可以改變差異,只有大多數的行動同我們的意見一樣
才能創立我們想要的世界。
其它三種阻力不會幫助我們在地下室建立無燃料能源工廠,
他們不會讓我們從他們的操縱中獲得自由,不過,自由能源技術就在這裡,
它是真實的,將改變關於我們的一切,生活、工作和人間關係。
最後的分析中,自由能源技術將拋棄貪婪和對生存的恐懼,
但像所有的精神信仰的訓練一樣,在生活中我們必須表現的慷慨和誠實。
自由能量之源在我們心中,它強烈表達我們自由的興奮,這是我們精神指導下
的自覺表示,娛樂、脅迫和操縱。
這是我們的開放心情。
理論上,自由能源技術將只支撐這樣的社會,每個人都有足夠的食物、
衣服、住房、自我價值和空閒時間去沉思生命的更高精神含義。
我們之間互想感激去直面我們的恐懼,然後開始行動為子孫的子孫創造未來。
也許我不是僅有的一個為偉大的真理而等待行動的人。
自由能源技術就在這裡。在這裡已經幾十年了。
通信技術和互聯網揭開了這個非凡事實的神秘面紗。
全世界的人開始為他們自己建造自由能源設備。
銀行家和go-vern-ment 不願意看到這個發生,卻不能阻止。
巨大的經濟不穩定和戰爭在不久的將來將被用於轉移人們在自由能量中的發展。
本質上不會有主要媒體說出覆蓋在表面現像下真正發生了什麼,
它只會簡單地報導是戰爭和局部戰爭爆發,領導聯合國“安理會”
佔有越來越多的國家,西方社會已經進入自我毀滅的旋渦,
因為長時間貪婪和腐敗的積聚影響。
自由能量技術一般應用不能停止這種趨勢。
它只能加強它。如果,你有一個自由能量裝置,你可以有更好的位置
去為政治/ 社會/ 經濟的轉變而服務,這正在起步中。
沒有國家go-vern-ment 會為這個過程服務。
誰將最終控制形成的世界go-vern-ment ,是第一種阻力,還是第四種力量?
最後的偉大戰爭就在我們面前。
種子已經播下,這個過後將是一個真實文明的開始,
我們中一些拒絕戰鬥的人將看到自由能量世界的曙光。
我想你將成為嘗試中的一員!
留言列表

